電子工程社

出自六年制學程
跳至導覽 跳至搜尋
  • 電子工程社
    • 研習本部:517教室
    • 內務主力:李哲寬
    • 外務主力:柯智懷
    • 協調支援:李彥廷
  • 目前狀態:第一週複習

大方向

學習電子工程中電路控制及半導體領域的知識,理解電晶體到電腦處理器的運作原理。

科目

  1. 三用電表
  2. 電子、電洞
  3. PN二極體
  4. 電晶體
    • 實作放大線路
  5. 實作收音機
  6. 實作電子鐘
  7. 邏輯閘
    • AND
    • OR
    • NOT
  8. CPU、GPU精簡指令集、巨集指令集
  9. 儲存
  10. 檔案系統
  11. 作業系統
  12. 通訊

2016.8.29

  • 協調主力工作分配。
    • 內務主力:負責主導對內的事務,即社團的整體運作流程,主導資金及設備的分配與計畫,必須掌握社團的所有行動細節,因此來自外務主力的指示等也需要熟記。
    • 外務主力:負責主導對外的事務,即對於任何社團外人士包含老師、其他同學、外接維修的客戶在內,處理來自於外部的建議與指示,必須要掌握社團外的人對社團的認識、以及對社團所做的工作的反饋。
    • 協調支援:負責跨範圍各項專案,在成員之間協調及支援工作,參與雙方的事務,但不在內務或外務兩方佔主導的位置。同時協調支援亦有著擔任內務與外務兩大主力之外的第三方,作為平衡的地位。
    • 各主力工作只是在特定範圍內佔主導地位,重要事務仍需要社團全體會議決定變更。
  • 以週為單位指定更加詳細的學習計畫。各週的進度將隨上週進度而有所變動。

2016.9.5

  • 進行各方工作的進一步說明,建構整個社團的運作模式。
  • 預計今日先行複習,依計畫正式研習開始於下週(9.12)。本次將首先從電子理論、基礎電路的複習開始作為前導。
    • 電子理論:原子結構、電子軌域、電荷
    • 基礎電路:電路運作、電流、電阻(負載、功率)

2016.9.12

  • 本週正式開始研習。
  • 半導體的性質與應用
    • 導體、半導體、絕緣體
    • 半導體材料

2016.9.19

  • 三用電錶使用
  • 電子、電洞

2016.9.26

  • 三用電表使用
  • 焊接練習
  • 半導體摻雜、N/P連結
  • 電子零件簡介、基本零件的種類

2016.10.3

  • 電子零件、二極體
  • 印刷電路板、免焊電路板(麵包板)
  • 外出購買工具

2016.10.17

  • 二極體和三極體
  • 電路圖、電路符號
  • 外出購買工具、麵包板

2016.10.24

  • 三極體、電晶體
  • 電晶體放大作用
  • 麵包板使用練習

2016.10.31

  • 電阻器與崩潰電壓
  • 電容器與射極干擾
  • 麵包板使用練習

2016.11.7

  • 揚聲器阻級
  • 電感與本地震盪頻率
  • 調頻廣播、調幅廣播

2016.11.14

  • 天線、電感並聯緩衝電容器
  • 高頻電容器與低頻電容器

2016.11.21

  • 收音機組立測試

2016.11.28

  • 揚聲器測試
  • 電晶體、崩潰電壓測試

2016.12.05

  • 調諧電路設計
  • 可變電容器測試

2016.12.12

  • 調諧電路測試
  • 射極干擾測試
  • 元件總Review(部分)

2016.12.19

  • 元件總Review
  • 報告說明原理及設計、確認後續回饋
  • 拆卸音源接口
  • 安排作業加時

20

  • 柯智懷留
  • 完成小冊社團簡介、社團活動簡介及電路圖部分

21

  • 全員留
  • 完成小冊元件列表、工作原理部分(完成)
  • 音源接口測試(組好接口了,但還沒和收音機接合。)

22

  • 柯智懷留
  • 完成小冊實作歷程部分
  • 進度:老柯今天會把音源接口拆下來,明天做實際測試。

23

2016.12.26

  • 小冊完成
  • 完成PCB電路板設計、委託3D列印外殼

27

28

  • 把文件弄好
  • 李哲寬去買蘇達
  • 手冊完成

29

30

  • 對顯影劑成分查詢完成「地毯搜尋」階段。
  • 收集所有搜尋結果,開始進行集中搜索。

31

  • 對顯影劑成分查詢反覆進行集中搜索與統整。

2016.01.02

  • PCB電路板完成
  • 整體含外殼組立測試

時間總安排

  • 禮拜一 懷寬留
  • 禮拜二 懷留 寬廷4:30
  • 禮拜三 全員留
  • 禮拜四 懷留 寬廷4:30
  • 禮拜五 懷留 寬廷4:30

成果發表筆記

  • 用成一個小冊子
    • 參考資料
    • 電路圖
    • 電路元件列表
      • 電池
      • 天線
      • 電容
      • 可變電容
      • 電阻
      • 電感
      • 電晶體
      • 揚聲器(或音源接口)
      • 導線(含接地)
      • 開關
    • 元件工作原理說明
    • 社團介紹
    • 社團活動介紹
    • 收音機設計和組裝歷程。

正式元件列表

  • 電池
  • 可變電容
  • 電感
  • 接地
  • 電感緩衝電容
  • 天線
  • 增壓電阻
  • 第一階段放大電晶體
  • 第一階段放大緩衝電容
  • 第二階段放大電晶體
  • 第二階段放大緩衝電容
  • 揚聲器
  • 開關

參考資料

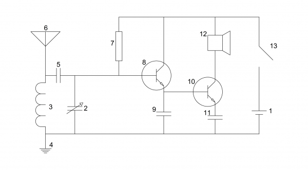
  • 電路圖:

實作收音機歷程記錄

  • 設計
  • 電池和揚聲器的選擇
  • 調諧電路的設計
  • 電感的選擇
  • 合併檢波電路的方法
  • 電晶體的選擇
  • 實作測試
  • 後續改良

工作原理

整個收音機可分為供電電路、調諧電路、放大電路三大部分。

供電電路顧名思義就是負責供電,從電池(1)開始輸入電流,並沿著線路圖最底端的導線進行。由於在中途經過的兩條岔路上都有電晶體(8)(10)存在,而電晶體會限制流向,所以電流不能流入這兩條岔路,讓初始供電電流的運行保持在最底端的導線上。


接著初始供電電流會來到調諧電路區域,這裡是收音機的核心部分,一部最基本的收音機甚至可以不用電源就能夠運作,但無論如何必須要有調諧電路。

在這裡初始電流首先從第三條岔路進入調諧電路,在一條T字路口上分別流入放大電路和繼續在調諧電路內運作。

然後電流會流過底端導線上的第四條岔路,通過電感(3)元件,得到一種被稱為「本地震盪頻率」(簡稱本震)的頻率訊號,然後以與初始電流相反的方向在第三條岔路會合,流回調諧電路。


首先帶訊號的電流會通過調頻用的可變電容器(2)元件。電容是一種當滿的時候會放電,空的時候會充電的零件,所以如果能夠調整電容的容量就能夠調整本震。當電容的容量小時頻率增高,反之頻率降低。本震相當重要,如果沒有辦法調整到適當的頻率,就無法接收廣播電台。

為了過濾電感所產生的雜訊,這個帶訊號的電流會流過一個小電容(5)作為緩衝,最後本震會被傳送到天線上,天線與廣播電台就會像兩個具相同頻率的音叉一樣產生共振,從而導致電台所傳來的訊號能夠被聽取;最後這個來自廣播電台的訊號會在接地(4)和可變電容(2)的兩段過濾中增加其穩定度,透過T字路口流入放大電路。


放大電路的作用就是把訊號放大,讓收聽更加容易,同時這個電路也包含了檢波器(一種去除雜訊的元件)的作用。

放大電路的核心元件是電晶體(8)(10)。當訊號流過電晶體並且電晶體的流入電壓大於一定程度時(稱為「崩潰電壓」),訊號就能被放大。

但是流入電壓不足。非常不足,此電晶體的崩潰電壓與電池所提供的電壓相差高達10倍之多,必須要有一個東西把電壓增強才行。這個東西就是電阻器(7)這個電阻器透過犧牲電流強度增強電壓,讓訊號可以被成功地放大,並通過去除雜訊的超小容量電容(9)(11)重新流入最底端的導線,最後這些帶有訊號、又經過放大的電流就能觸發揚聲器(12)而被播放出來。


這台電流量損耗嚴重的老式收音機一直處在開啟狀態是很浪費電的,所以在電路結束的地方,迴路流回電池的前面放置了一個開關(13),使它能夠被關閉。

社團活動和簡介

  • 電子工程社是由我們三個同學組成,社團主要的大方向是學習電子工程中電路控制及半導體領域的知識,理解電晶體到電腦處理器的運作原理。目標是作出收音機。
  • 我們上課的活動大致分成三大部分,第一部分是了解各種的電子元件,例如:電容和電晶體的功用等。我們會查很多資料.還會不斷的複習。每個人要上台講解各個元件的功用。
  • 第二部分是收音機的實作,我們會去光華採購所需要的電子元件,並進行實際的組裝。
  • 最後的部分是接學校修東西案子,我們有修過麥克風線,還有播放音樂和影片的喇叭。

收音機電路圖

收音機電路圖.png

資料

碳酸氫鈉和氫氧化鈉 比例1:70和1:80